
Hệ thống khử ion (EDI) là công nghệ xử lý nước bằng phương pháp sử dụng dòng điện để khử và tách các ion ra khỏi nước. Hệ thống khử khoáng EDI là sự kết hợp của quá trình thẩm thấu ngược và khử khoáng, nước thành phẩm đạt yêu cầu trong các ứng dụng của nước siêu tinh khiết dùng cho ngành dược phẩm, sản xuất linh kiện bán dẫn và cấp nước cho lò hơi nhiệt điện,… Công nghệ này khác với các công nghệ làm sạch nước khác là không sử dụng thêm hóa chất hỗ trợ nào, do đó rất thân thiện với môi trường.
Nước qua hệ EDI có thể đạt được độ tinh khiết rất cao với độ dẫn điện thấp hơn 0.1 µS/cm.
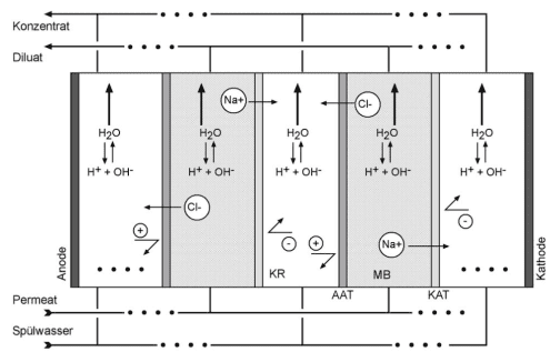
Cơ chế hoạt động của hệ EDI:
1. Các hạt trao đổi ion được cố định trong buồng pha loãng để hấp thụ các ion trong nước
dòng vào.
2. Chênh lệch điện thế được tạo ra bởi các điện cực gắn trên các E-CELL.
3. Các Cation (Anion) trong nước dòng vào cung cấp cho các buồng pha loãng sẽ di
chuyển về buồng đậm đặc thông qua các màng trao đổi cation (anion) theo sự chênh
lệch điện thế.
4. Trong quá trình nước cấp vào qua buồng pha loãng, điện trở của dòng nước vào ngày
càng gia tăng.
5. Năng lượng của dòng điện 1 chiều tách nước thành H+ và OH-.
6. Hiệu quả khử ion cao có thể đạt được bởi các hạt nhựa trao đổi ion trong buồng pha
loãng phát sinh H+ và OH- trong quá trình tách nước.
.png)
Sơ đồ mô tả module EDI.
Liên hệ với chúng tôi hôm nay để thảo luận về nhu cầu của bạn!